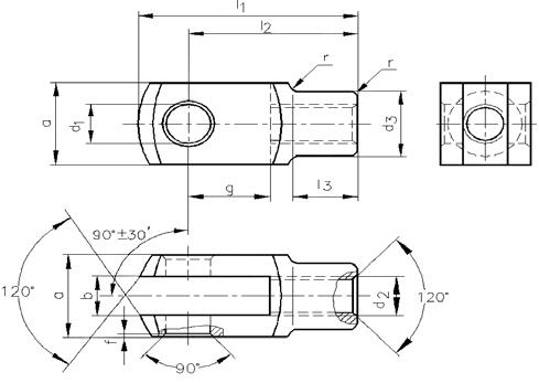
Gabelköpfe nach DIN71752 und DIN ISO8140-
| DIN - Bezeichnung | Bestll.- Nr. | d1 h9 | g | a | b B13 | Regel-gewinde d2= ISO | Fein gewinde D2=ISO | d3 | f=r | I1 | I2 | I3 |
| G 4x8 | 1002 004 008 | 4 | 8 | 8 | 4 | M4 | 8 | 0,5 | 21 | 16 | 6 | |
| G 4x16 | 1002 004 016 | 4 | 16 | 8 | 4 | M4 | 8 | 0,5 | 29 | 24 | 6 | |
| G 5x10 | 1002 005 010 | 5 | 10 | 10 | 5 | M5 | 9 | 0,5 | 26 | 20 | 7,5 | |
| G 5x20 | 1002 005 020 | 5 | 20 | 10 | 5 | M5 | 9 | 0,5 | 36 | 30 | 7,5 | |
| *G 6x12 | 10 02 006 012 | 6 | 12 | 12 | 6 | M 6 | 10 | 0,5 | 31 | 24 | 9 | |
| G 6x24 | 10 02 006 024 | 6 | 24 | 12 | 6 | M 6 | 10 | 0,5 | 43 | 36 | 9 | |
| *G 8x16 | 10 02 008 016 | 8 | 16 | 16 | 8 | M 8 | 14 | 0,5 | 42 | 32 | 12 | |
| *G 8x16FG | 12 02 008 016 | 8 | 16 | 16 | 8 | M 8x1 | 14 | 0,5 | 42 | 32 | 12 | |
| G 8x32 | 10 02 008 032 | 8 | 32 | 16 | 8 | M 8 | 14 | 0,5 | 58 | 48 | 12 | |
| G 8x32FG | 12 02 008 032 | 8 | 32 | 16 | 8 | M 8x1 | 14 | 0,5 | 58 | 48 | 12 | |
| G 10x20 | 10 02 010 020 | 10 | 20 | 20 | 10 | M 10 | 18 | 0,5 | 52 | 40 | 15 | |
| *G 10x20FG | 14 02 010 020 | 10 | 20 | 20 | 10 | M 10x1,25 | 18 | 0,5 | 52 | 40 | 15 | |
| G 10x40 | 10 02 010 040 | 10 | 40 | 20 | 10 | M 10 | 18 | 0,5 | 72 | 60 | 15 | |
| G 10x40FG | 14 02 010 040 | 10 | 40 | 20 | 10 | M 10x1,25 | 18 | 0,5 | 72 | 60 | 15 | |
| G 12x24 | 10 02 012 024 | 12 | 24 | 24 | 12 | M 12 | 20 | 0,5 | 62 | 48 | 18 | |
| G 12x24FG | 14 02 012 024 | 12 | 24 | 24 | 12 | M 12x1,25 | 20 | 0,5 | 62 | 48 | 18 | |
| G 12x48 | 10 02 012 048 | 12 | 48 | 24 | 12 | M 12 | 20 | 0,5 | 86 | 72 | 18 | |
| G 12x48FG | 14 02 012 048 | 12 | 48 | 24 | 12 | M 12x1,25 | 20 | 0,5 | 86 | 72 | 18 | |
| G 14x28 | 10 02 014 028 | 14 | 28 | 27 | 14 | M 14 | 24 | 1,0 | 72 | 56 | 22,5 | |
| G 14x28FG | 16 02 014 028 | 14 | 28 | 27 | 14 | M 14x1,5 | 24 | 1,0 | 72 | 56 | 22,5 | |
| G 14x56 | 10 02 014 056 | 14 | 56 | 27 | 14 | M 14 | 24 | 1,0 | 101 | 85 | 22,5 | |
| G 14x56FG | 16 02 014 056 | 14 | 56 | 27 | 14 | M 14x1,5 | 24 | 1,0 | 101 | 85 | 22,5 | |
| G 16x32 | 10 02 106 032 | 16 | 32 | 32 | 16 | M 16 | 26 | 1,0 | 83 | 64 | 24 | |
| *G 16x32FG | 16 02 106 032 | 16 | 32 | 32 | 16 | M 16x1,5 | 26 | 1,0 | 83 | 64 | 24 | |
| G 16x64 | 10 02 016 064 | 16 | 64 | 32 | 16 | M 16 | 26 | 1,0 | 115 | 96 | 24 | |
| G 16x64FG | 16 02 016 064 | 16 | 64 | 32 | 16 | M 16x1,5 | 26 | 1,0 | 115 | 96 | 24 |
* Diese Gabelköpfe entsprechen auch der DIN ISO 71752
Werkstoff:
Nach Wahl des Herstellers: 11 S MnPb30c,
Zugfestigkeit 470 bis 520 N/mm², 11 S Mn30c Zugfestigkeit 520 bis 770 N/mm²
Oberfläche:
blank geölt wahlweise:
phosphatiert und geölt; galv. verzinkt,
chromatiert in weiß-blau, gelb oder schwarz,
Chrom IV frei dickschichtpassiviert.
Freimaßtoleranzen:
Freimaßtoleranzen: nach DIN ISO 2768-mC
Bestell-Beispiel
Bestell-Beispiel eines Gabelkopfes Form G mit Bohrung d1 = 8 mm und Schlitzlänge g = 16 mm,
mit Feingewinde d2 = M 8x1: Gabelkopf G 8x16 FG DIN 71752 Bestell- Nr. 12 02 008 016
